´Ý±â
ȸ»ç¼Ò°³
ȸ»ç¼Ò°³
¿À½Ã´Â ±æ
Á¦Ç°¼Ò°³
ÀÚµ¿¹ëºê
Á¦¾î±â±â
Á¦Ç°¹®ÀÇ
Á¦Ç°¹®ÀÇ
°øÁö»çÇ×
°øÁö»çÇ×
Á¦Ç°¼Ò°³
Á¦Ç°¼Ò°³
ÀÚµ¿¹ëºê
°ø±â¾ÐÀÚµ¿¹ëºê
º¼¹ëºê
¹öÅÍÇöóÀ̹ëºê
±Û·Îºê¹ëºê
°ÔÀÌÆ®¹ëºê
±âŸ
Àüµ¿ÀÚµ¿¹ëºê
º¼¹ëºê
¹öÅÍÇöóÀ̹ëºê
±Û·Îºê¹ëºê
°ÔÀÌÆ®¹ëºê
±âŸ
±¸µ¿±â
°ø±â¾Ð ±¸µ¿±â
Àüµ¿ ±¸µ¿±â
±âŸ
¹ëºê
º¼¹ëºê
¹öÅÍÇöóÀ̹ëºê
±Û·Îºê¹ëºê
°ÔÀÌÆ®¹ëºê
üũ¹ëºê
±âŸ
ÀÚµ¿¹ëºê¾Ç¼¼»ç¸®
¼Ö·¹³ëÀ̵å¹ëºê
¸®¹ÌÆ®½ºÀ§Ä¡
¿¡¾î¼Â
Æ÷Áö¼Å³Ê
±âŸ
Á¦¾î±â±â
¼Ö·¹³ëÀ̵å¹ëºê
¹°¿¡¾î¿ë
½ºÆÀ¿ë
°í¾Ð¿ë
³»ÈÇпë
±âŸ
·¹±Ö·¹ÀÌÅÍ
°í¾Ð¿ë (100bar ÀÌ»ó)
Á߾пë (20bar ÀÌÇÏ)
Àú¾Ð¿ë (0.5barÀÌÇÏ)
±âŸ
¿ªÈ¹æÁö±â
¹è°üÇü
¸»´ÜÇü
±âŸ
Relief Valve
Breather Valve
Vacuum Relief Valve
Pressure Relief Valve
Safety Relief Valve
±âŸ (º¥Æ®Ä¿¹ö.¿Ü)
¾Ð·Â&À¯·® ½ºÀ§Ä¡/Æ®·£½º¹ÌÅÍ
¾Ð·Â½ºÀ§Ä¡
Ç÷ο콺À§Ä¡
¾Ð·ÂÆ®·£½º¹ÌÅÍ
À¯·®°è
±âŸ
¸®¹ÌÆ®½ºÀ§Ä¡
Á¦¸ñ
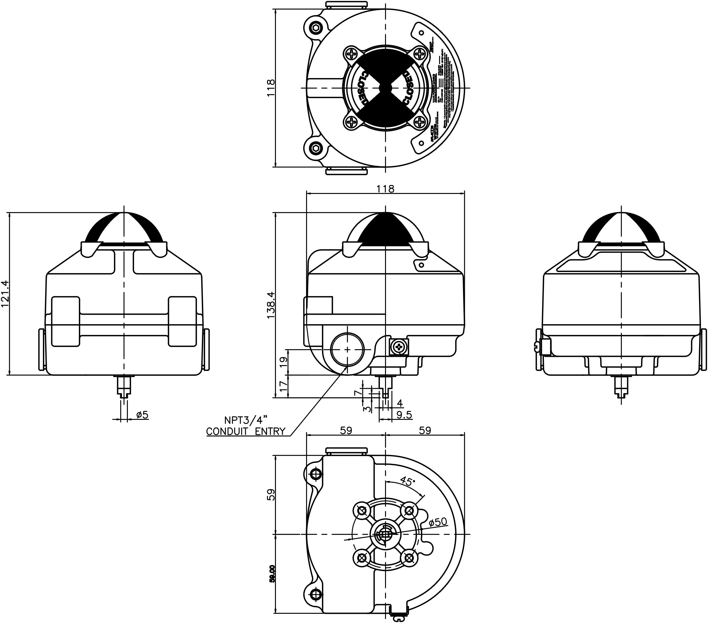
APL-5 SERIES
CSAus ÀÎÁõ, KOSHA ¹æÆø, ºÐÁø¹æÆø, ATEX ¹æÆø ÀÎÁõÁ¦Ç°ÀÔ´Ï´Ù.
÷ºÎÆÄÀÏ
APL5MA.pdf
APL-45 Csa CofC Zippy-40C.pdf
APL-5N-KCs_Ex d KOSHA (12-AV2BO-0089)E&K.pdf
°³ÀÎÁ¤º¸Ãë±Þ¹æÄ§
|
À̸ÞÀϹ«´Ü¼öÁý°ÅºÎ
|
ã¾Æ¿À½Ã´Â±æ
¾÷ü¸í : (ÁÖ)¿ÀÅä¹ëºê
ÁÖ¼Ò : ¼¿ï½Ã ±¸·Î±¸ °æÀηΠ53°¡±æ 10, 1112È£(»ç¹«½Ç), B210È£(°øÀå) (±¸·Îµ¿, ±¸·Î´ë¸í¹ë¸®¿Â Áö½Ä»ê¾÷¼¾ÅÍ)
TEL : 02)2604-9017
FAX : 02)2604-9018
EMAIL : autovalve1@naver.com
COPYRIGHT 2020 ¨Ï AUTOVALVE Co., Ltd all rights reserved
°ü¸®ÀÚ